Welcome to the official website of Guangdong Bida Electric Appliance Co., Ltd
Join Us
National Service Hotline:
0757-27333768
HOME
ABOUT
PRODUCT
NEWS
CASE
JOIN US
CN
CN
ABOUT
ENTERING BIDA
ENTERPRISE DEVELOPMENT
ENTERPRISE HONOR
CORPORATE CULTURE
PRODUCT
REMOVABLE SWITCHGEAR SERIES
FIXED CABINET SERIES
RING MAIN UNIT SERIES
HIGH VOLTAGE COMPONENTS
LOW VOLTAGE COMPLETE EQUIPMENT
BOX TYPE SUBSTATION
POWER DISTRIBUTION BOX
PREFABRICATED WAREHOUSE
NEWS
COMPANY NEWS
INDUSTRY NEWS
CASE
POWER GRID CASE
ENGINEERING OPERATION CASE
JOIN US
JOIN US
CONTACT
PRODUCT
BACK
KYN44A-12 (Z) movable switchgear
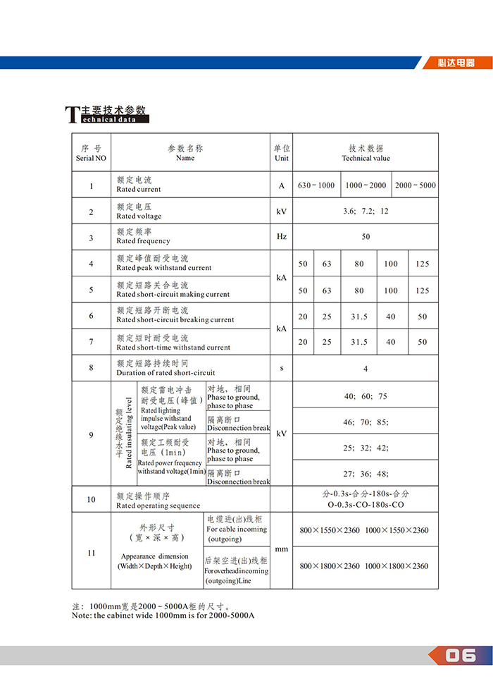
Product parameters
Service Hotline
0757-27333768
Product Introduction
More introduction
星空体育
|
多宝开户入口_多宝(中国)
|
开云NBA(中国)股份有限公司
|
星空web版登录入口
|
leyu·乐鱼(中国)体育官方网站
|
乐鱼(中国)官方网站
|
米兰体育
|
九游网页版在线_九游(中国)
|
开云登入_开云登入(中国)有限公司
|